NN82A-300 | 高压直流继电器
NN82A-300 | 高压直流继电器
商品详情
产品特点
独特的磁灭弧设计,具有1500V的高容量切断功能
独特的接点结构,具有更更高的耐浪涌性能和电流耐受能力
独特的抗短路结构,抗短路能力达到8000A以上
高低压间耐压4000V以上
线圈可选节能型,节能型线圈连接有极性
负载连续无极性
环保产品(符合RoHS)
负载连接无极性
环保产品(符合RoHS)
产品型号说明
主要技术参数
主触点参数
| 结构 | H |
| 触点材料 | 银铜合金 |
| 接触电阻 | ≤0.3mΩ(@300A) |
| 接触压降 | / |
| 额定负载 | DC1500V 300A |
| 机械耐久性 | 20万次(0.5秒通0.5秒断) |
| 切换电寿命 | / |
| 冲击电寿命 | 300A /1500μF,20V,10万次 |
| 分断电寿命 | 20A /1500V,1.5万次 |
| 80A /1500V,500次 | |
| 300A /1000V,1000次 | |
| 250A /1500V,100次 | |
| 1000A /1500V,1次 | |
| 短路电流 | 8000A*(5ms),1次 |
| 额定电流 | 250A |
| 最小负载电流 | 6V/1A |
注: “★”:节能型为6000A
辅助触点参数
| 结构 | H |
| 接触电阻 | ≤100mΩ(@0.1A) |
| 额定负载 | DC12V0.1A |
| 切换电寿命 | DC12V 0.1A 10000次 |
线圈参数
| 额定电压(Vd.c.) | 12 | 24 | PWM型 |
| 动作电压(Vd.c.) | ≤9 | ≤18 | ≤9 |
| 工作电压(Vd.c.) | 9~ 16 | 18~32 | 9~36 |
| 释放电压(Vd.c.) | ≥1 | ≥2 | ≥5 |
| 线圈电阻(2)(1+ 7%) | 24 | 96 | 3.1 |
| 启动电流(A)* | 0.5 | 0.5 | 3.8* |
| 启动时间(ms) | / | / | ≤150* |
| 额定电流(A) | 0.5 | 0.5 | 0.2* |
| 启动功耗(W)* | 6 | 6 | 46* |
| 稳态功耗(W) | 6 | 6 | 2.5* |
注: ★” : 表示为额定电压时
性能参数
| 绝缘电阻 | 线圈与触点间 | 1000MΩ以上 |
| 同极触点间 | 1000MΩ以上 | |
| 主辅触点间 | 1000MΩ以上 | |
| 耐压 | 线圈与触点间 | AC4000V 1分钟 |
| 同极触点间 | AC4000V 1分钟 | |
| 主辅触点间 | AC4000V 1分钟 | |
| 耐冲击电压 | 线圈和触点间10 kV(1.2 × 50μs) | |
| 动作时间 | 30ms以下 | |
| 释放时间 | 10ms以下 | |
| 吸合回跳 | 5ms以下 | |
| 振动 | 耐久 | 10 ~ 500Hz 双振幅0.7mm(双振幅1.5mm) |
| 误动作 | 励磁:10~55~10Hz单振幅 0.75mm(双振幅1.5mm) 无励磁:10~55~10Hz单振幅 0.15mm(双振幅0.3mm) | |
| 冲击 | 耐久 | 1,000m/s² |
| 误动作 | 励磁: 100m/s² 无励磁: 50m/s² | |
| 使用环境温度 | -40 ~ +70°C (不结冰、无凝露) | |
| 使用环境湿度 | 5 ~ 85%RH | |
| 重量 | 12V | 约380g |
| 24V | 约372g | |
| 48V | 约350g | |
注:上述值均为常温时的初始值,如有其它要求可特殊订货
安全认证
| UL | 1、阻性切换: 50A@ 1500Vdc,6000次 2、阻性分断: 250A@ 1500Vdc,100 次 | |
| TUV | 1、负载1: 50A@ 1500Vdc 2、阻性分断2: 250A @1500Vdc,100次 | |
| CE / | 1、负载1: 50A@ 1500Vdc 2、阻性分断2: 250A @1500Vdc,100次 | |
| CCC | 1、负载1: 50A@1500Vdc 2、负载2:300A@300Vdc | |
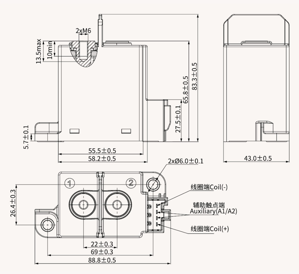
产品外形、安装及接线图
推荐连接器:
①天海连接器THB connector:0488701
②矢崎连接器Yazaki connector:7283- 1044
| 供应商 | 信号线 | 四线插座护套 | 卡子 | 片型插座 |
| 天海THB 0488701 | UL 3266 20AWG | 0488702 | 0488703 | 0117505 |
| 矢崎Yazaki 7283-1044 | UL 3266 20AWG | 7283-1044 | 7157-4012 | 7116-4020 |
备注:连接器为选配零件。
说明:
1.1、2为负载端,负载无极性
2.C1、C2为线圈端,有极性,红“+”,黑“- ”
3.A1、A2 为辅助触点,辅助触点无极性
4.注:产品外形尺寸末注尺寸公差按下表执行
更多详情请联系我们,我们会竭诚为您服务!
-
高压交流继电器
NNC81G-300 | 高压交流继电器
-
高压交流继电器
NNC81G-200 | 高压交流继电器
-
高压交流继电器
NNC81C-100 | 高压交流继电器
-
高压交流继电器
NNC81C-90 | 高压交流继电器
-
高压交流继电器
NNC81A-150 | 高压交流继电器
-
高压交流继电器
NNC81B-2H | 高压交流继电器
-
高压交流继电器
NNC81A-100 | 高压交流继电器
-
高压交流继电器
NNC81A-60 | 高压交流继电器
-
高压交流继电器
NNC80A-40 | 高压交流继电器
-
高压交流继电器
NNC80A-20 | 高压交流继电器
-
高压交流继电器
NNC80B | 高压交流继电器
-
高压交流继电器
NNC76A | 高压交流继电器
-
高压交流继电器
NNC93F | 高压交流继电器
-
高压交流继电器
NNC90F | 高压交流继电器
-
高压交流继电器
NNC67E | 高压交流继电器
-
高压交流继电器
NNC69KP | 高压直流继电器

















