NN82A-100 | 高压直流继电器
NN82A-100 | 高压直流继电器
商品详情
产品特点
独特的磁灭弧设计,具有1500V的高容量切断功能
独特的接点结构,具有更更高的耐浪涌性能和电流耐受能力
独特的抗短路结构,抗短路能力达到4000A以上
高低压间耐压4000V以上
负载、线圈连接均无极性
环保产品(符合RoHS)
产品型号说明
主要技术参数
主触点参数
| 结构 | H |
| 触点材料 | 银铜合金 |
| 接触电阻 | ≤5mΩ |
| 接触压降 | / |
| 额定负载 | DC1500V 100A |
| 接通电寿命 | 100A /450V,5万次 |
| 100A /750V,3万次 | |
| 100A /750V,5000次 | |
| 分断电寿命 | 100A /1500V,50次 |
| 200A /450V,50次 | |
| 600A /450V,1次 | |
| 切换电寿命 | / |
| 短路电流 | 4000A(5ms),1次 |
| 额定电流 | 100A |
| 最小负载电流 | 6V/1A |
| 机械耐久性 | 20万次(0.5秒通0.5秒断) |
辅助触点参数
| 结构 | / |
| 接触电阻 | / |
| 额定负载 | / |
| 切换电寿命 | / |
线圈参数
| 额定电压(Vd.c.) | 12 | 24 | / |
| 动作电压(Vd.c.) | ≤9 | ≤18 | / |
| 工作电压(Vd.c.) | 9~ 16 | 18~32 | / |
| 释放电压(Vd.c.) | ≥1 | ≥2 | / |
| 线圈电阻(2)(1+ 7%) | 24 | 96 | / |
| 启动电流(A)* | 0.5 | 0.5 | / |
| 启动时间(ms) | / | / | / |
| 额定电流(A) | 0.5 | 0.5 | / |
| 启动功耗(W)* | 6 | 6 | / |
| 稳态功耗(W) | 6 | 6 | / |
注: ★” : 表示为额定电压时
性能参数
| 绝缘电阻 | 线圈与触点间 | 1000MΩ以上 |
| 同极触点间 | / | |
| 主辅触点间 | 1000MΩ以上 | |
| 耐压 | 线圈与触点间 | AC4000V 1分钟 |
| 同极触点间 | / | |
| 主辅触点间 | AC4000V 1分钟 | |
| 耐冲击电压 | 线圈和触点间10 kV(1.2 × 50μs) | |
| 动作时间 | 30ms以下 | |
| 释放时间 | 10ms以下 | |
| 吸合回跳 | 5ms以下 | |
| 振动 | 正弦振动 | 10 ~ 500Hz 双振幅1.5mm,加速度49m/s² |
| 冲击 | 稳定性 | 闭合: 588 m/s²,断开196m/s² |
| 强度 | 588m/s² | |
| 使用环境温度 | -40 ~ +85°C (不结冰、无凝露) | |
| 使用环境湿度 | 5 ~ 85%RH | |
| 重量 | 12V | 约160g |
| 24V | 约160g | |
| 48V | / | |
注:上述值均为常温时的初始值,如有其它要求可特殊订货
安全认证
| UL | / |
| CE / TUV | / |
| CCC | / |
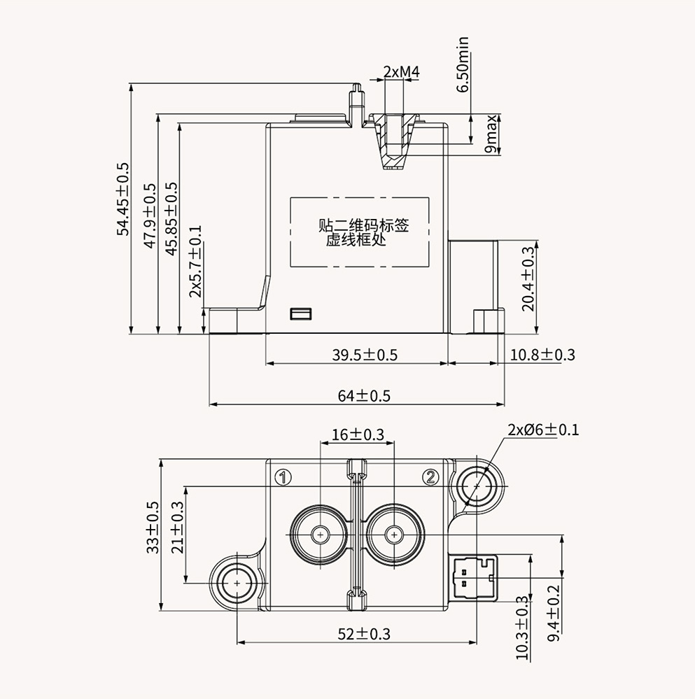
产品外形、安装及接线图
线圈引出形式
C:连接器编号-天海:0484101 C:connector-Tianhai:0130301
/连接器编号-矢崎:7283-5845 C:connector-Yazaki:7116-4231-02
更多详情请联系我们,我们会竭诚为您服务!
-
高压交流继电器
NNC81G-300 | 高压交流继电器
-
高压交流继电器
NNC81G-200 | 高压交流继电器
-
高压交流继电器
NNC81C-100 | 高压交流继电器
-
高压交流继电器
NNC81C-90 | 高压交流继电器
-
高压交流继电器
NNC81A-150 | 高压交流继电器
-
高压交流继电器
NNC81B-2H | 高压交流继电器
-
高压交流继电器
NNC81A-100 | 高压交流继电器
-
高压交流继电器
NNC81A-60 | 高压交流继电器
-
高压交流继电器
NNC80A-40 | 高压交流继电器
-
高压交流继电器
NNC80A-20 | 高压交流继电器
-
高压交流继电器
NNC80B | 高压交流继电器
-
高压交流继电器
NNC76A | 高压交流继电器
-
高压交流继电器
NNC93F | 高压交流继电器
-
高压交流继电器
NNC90F | 高压交流继电器
-
高压交流继电器
NNC67E | 高压交流继电器
-
高压交流继电器
NNC69KP | 高压直流继电器

















